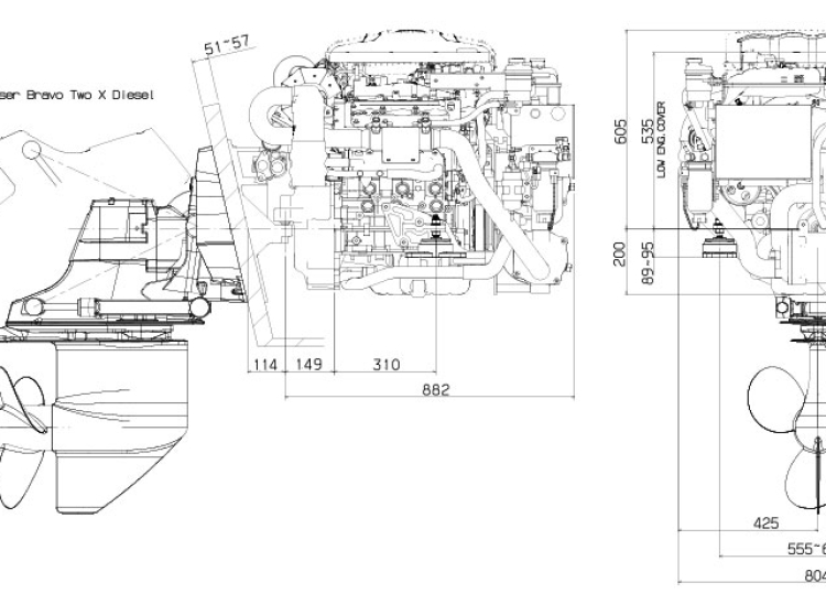
DÒNG TỐC ĐỘ DIESEL S270S

DÒNG TỐC ĐỘ DIESEL S270S

CÁC TÍNH NĂNG CỦA  ĐỘNG CƠ HYUNDAI SEASALL DÒNG S

Hệ thống phun nhiên liệu chung có điều khiển Piezo của chúng tôi mang lại công suất 270PS và mô-men xoắn 57,6kg ㆍ m từ động cơ 3.0 lít V6 CRDi. Thiết kế tiên tiến cũng làm cho nó siêu nhẹ, yên tĩnh và tiết kiệm nhiên liệu với kích thước cực kỳ nhỏ gọn.
Độ bền và độ tin cậy
Việc sử dụng sắt than chì nén (CGI) cho khối xi-lanh mang lại cho động cơ Hyundai SeasAll một số lợi thế. Khối CGI nhẹ hơn gang xám thông thường và thể hiện độ bền kéo cao hơn ít nhất 85%, độ cứng cao hơn 45% và xấp xỉ gấp đôi độ bền mỏi của sắt và nhôm. Nó kéo dài hơn cả chúng tôi từng mong đợi. Công nghệ này là một ví dụ điển hình về sự đổi mới và cải tiến mà chúng tôi mang lại cho ngành động cơ hàng hải. Với Hyundai SeasAll, bạn đang ở vị trí tiên tiến nhất.

 

ĐẶC ĐIỂM KỸ THUẬT ĐỘNG CƠ HYUNDAI SEASALL S270S 

Model

S270S

Xếp hạng

S4, S5

Tối đa Công suất [(PS(kW)]

270(199)

Tối đa vòng / phút [vòng / phút]

3,800

Dịch chuyển [cc]

2,959

Tối đa Mô-men xoắn

57.6kgㆍm@2,000rpm

Hệ thống phun nhiên liệu

CRDi

Mức tiêu thụ nhiên liệu tối đa.[ℓ/h]

53.8

Lực đẩy

Stern Drive

trọng lượng [kg]

334

 

 

Động cơ
• Khối xi lanh Graphite Iron (CGI) được nén
• Đầu nhôm
• Trục khuỷu cân bằng
• Pít-tông làm mát bằng dầu
• Động cơ V6, 24 van DOHC
• Bộ điều chỉnh đòn roi thủy lực
• Áo nước tích hợp
• Chuỗi thời gian song công tiếng ồn thấp
• Bộ căng xích thời gian thủy lực
• Hệ thống đai Serpentine đơn
• Bộ căng đai tự động
 
Gắn động cơ
• Giá treo động cơ có thể điều chỉnh

Hệ thống bôi trơn
• Hộp lọc dầu dễ dàng trao đổi
• Bơm chiết dầu điện
• Làm mát bằng nước biển
• Bơm dầu động cơ xích
 
Hệ thống nhiên liệu
• Tiêm trực tiếp đường sắt thông thường (CRDi)
 - Kim phun Piezo thế hệ mới 1.800 bar
• Bộ lọc nhiên liệu với cảm biến phát hiện nước trong nhiên liệu
• Bơm áp suất thấp
• Van điều khiển áp suất kép
• Bơm nhiên liệu thấp và cao áp
 
Hệ thống điện
• Hệ thống 12 volt và máy phát điện 150A
• Nút dừng động cơ phụ
• Phích cắm phát sáng để khởi động lạnh không gặp sự cố
• Bộ chuyển đổi NMEA2000 (Tùy chọn)
• Hệ thống 2 cực (Tùy chọn)
• Hệ thống điều khiển điện tử (Tùy chọn)
Hệ thống bôi trơn

• Hộp lọc dầu dễ dàng trao đổi

• Bơm chiết dầu điện

• Làm mát bằng nước biển

• Bơm dầu động cơ xích

 

Hệ thống làm mát

• Bơm nước biển được dẫn động trực tiếp từ trục cam

• Intercooler làm mát bằng nước biển, trao đổi nhiệt

• Đầu nối phụ trợ để sưởi ấm cabin

• Vật liệu chống ăn mòn cho mạch nước biển

 
Chỉ số hoạt động của động cơ (Tiêu chuẩn)

• Tự bảo vệ và chẩn đoán động cơ

• Hiển thị thông tin CAN

• Hiển thị mã lỗi chẩn đoán động cơ

• Đèn báo động và điều khiển âm thanh

 

Hệ thống hút gió

• Bộ lọc không khí ướt và có thể tái sử dụng

• Bộ giảm thanh Intake (Tùy chọn)

 

Hệ thống xả

• Ống xả làm mát động cơ

• Khuỷu tay làm mát bằng nước biển

• Hi-Riser làm mát bằng nước biển (Tùy chọn)

 

Bộ tăng áp

• Turbo biến đổi hình học điện (E-VGT)

 

Phát thải

• IMO NOx Cấp II

• EU RCD II

• EPA Cấp III

Sản phẩm cùng loại

Torqeedo - Cruise 6.0 Ts
Torqeedo - Cruise 6.0 Ts

TORQEEDO - Cruise 6.0 TS là một động cơ điện thuyền nhỏ gọn, mạnh mẽ và tiết kiệm nhiên liệu. Động cơ có thể đạt tốc độ tối đa 12 hải lý/giờ và có phạm vi hoạt động lên đến 10 giờ. Cruise 6.0 TS được trang bị bộ điều khiển thông minh với màn hình LCD hiển thị thông tin về tốc độ, mức tiêu thụ nhiên liệu và thời gian hoạt động. Động cơ cũng có thể được kết nối với điện thoại thông minh để điều khiển từ xa.

Torqeedo Cruise 2.0t
Torqeedo Cruise 2.0t

Sản phẩm được phân phối chính hãng bởi CTy TNHH TM DV Trans-Undai SeaSall Vina Bảo hành: 2 năm Chúng tôi đã nâng cấp động cơ thủy Torqeedo Cruise đáng tin cậy, đã được kiểm chứng của mình với pin lithium buồm, thuyền máy và các ứng dụng thương mại lên đến 10 tấn.

Động Cơ Mercury 2 Thì - 3.3hp
Động Cơ Mercury 2 Thì - 3.3hp

Tân Viễn Đông cung cấp tất cả các động cơ Mercury có công suất từ nhỏ đến lớn – nhập khẩu nguyên đai, nguyên kiện, có đầy đủ chứng từ CO, CQ - mang đến sự đa dạng và linh hoạt vượt trội cho nhu cầu của mỗi khách hàng.

DÒNG TỐC ĐỘ DIESEL R200J
DÒNG TỐC ĐỘ DIESEL R200J

R200 có thể được trang bị hệ thống SeasLink độc đáo của Hyundai SeasAll, hệ thống này cung cấp thông tin điều hướng thời gian thực, dữ liệu hiệu suất động cơ và nhiều thông tin khác trực tiếp đến điện thoại thông minh của bạn.

MÁY PHÁT ĐIỆN Q270GS
MÁY PHÁT ĐIỆN Q270GS

TORQEEDO CRUISE 2.0RS
TORQEEDO CRUISE 2.0RS

Sản phẩm được phân phối chính hãng bởi CTy TNHH TM DV Trans-Undai SeaSall Vina Bảo hành: 2 năm Các mô hình mới của Torqeedo Cruise 2.0 đã được cải tiến để đáp ứng những thách thức khắt khe trong việc sử dụng thương mại hàng ngày; giúp họ sẵn sàng đương đầu với những điều kiện môi trường khắc nghiệt nhất, chẳng hạn với xuồng, cano và thuyền buồm lên đến 3 tấn.

Động Cơ Mercury 2 Thì - 4hp
Động Cơ Mercury 2 Thì - 4hp

Tân Viễn Đông cung cấp tất cả các động cơ Mercury có công suất từ nhỏ đến lớn – nhập khẩu nguyên đai, nguyên kiện, có đầy đủ chứng từ CO, CQ - mang đến sự đa dạng và linh hoạt vượt trội cho nhu cầu của mỗi khách hàng.

DÒNG TỐC ĐỘ DIESEL R200P
DÒNG TỐC ĐỘ DIESEL R200P

R200 có thể được trang bị hệ thống SeasLink độc đáo của Hyundai SeasAll, hệ thống này cung cấp thông tin điều hướng thời gian thực, dữ liệu hiệu suất động cơ và nhiều thông tin khác trực tiếp đến điện thoại thông minh của bạn.

Map
Zalo
Hotline